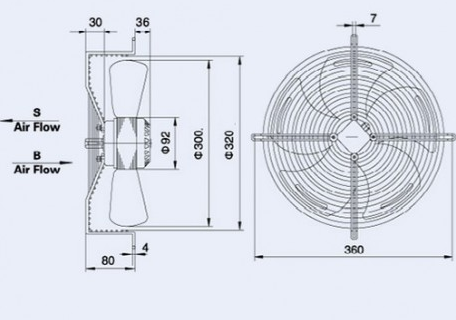
Ventilateur axial à 4 pôles. Ventilateur 300 mm . Monophasé 230 Volts.
Moteurs à rotor extérieur IP 54 avec isolation et protection thermique de classe B.
Conformité aux normes EN 60335-1 / EN 60034-5 / 73-23 CEE
Idéal pour : réfrigération, ventilation, extraction, évaporateurs
Arbres montés sur des roulements à billes étanches adaptés au fonctionnement horizontal et vertical
Grilles de protection en fil d’acier conformes à la norme EN294
59,00€ TVA EXCLUE
- Description
- Informations complémentaires
Description
Caractéristiques :
– ASPIRANT Ventilateur axial Ø 300 mm – 230v
– 1400 RPM – tours par minute
– 4 pôles
– volume d’air 1450 m3/h
– bruit 58 dBA
Informations complémentaires
| Poids | 5 kg |
|---|---|
| Dimensions | 30 × 30 × 30 cm |







